艾莱特斯在全球30+国家设有官方代理
PC 04-M5 | 4mm插管 M5x0.8外螺纹 | 外螺纹直通快插式气动接头
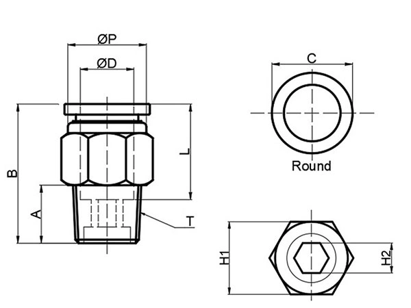
PC 04-M5, 4mm x M5 外螺纹直通快插式气动接头用于将管外径为4mm的管子与M5×0.8内螺纹同方向连接。4mm x M5 接头本体采用镀镍黄铜制成,M5×0.8外螺纹端配有固定式O型圈,可实现高效可靠密封。安装时可通过开口扳手或套筒扳手进行外部旋紧操作。
产品参数
适配管外径 O.D.:
4mm
螺纹:
M5 x 0.8
| 适用流体: | 压缩空气, 真空, 水(未冻结) |
| 主体材质: | 铜(镀镍) |
| 密封圈材质: | NBR |
| 使用压力范围: | 0∼1.0MPa | 0∼150psi |
| 保证耐压力: | 3.0Mpa | 435psi |
| 使用负压范围: | -100Kpa | -29.5 In Hg |
| 环境温度及使用流体温度: | -20∼80°C | -4∼176°F |
| 卡簧材质: | 不锈钢 |
| 适用管材质: | 聚氨酯(PU)管 / 尼龙(PA)管 / PE管 / PVC管 / 铁氟龙管... |
- Technical Data
PC 04-M5 | 4mm插管 M5x0.8外螺纹 | 外螺纹直通快插式气动接头外部尺寸:
| 型号 | 适配管外径 O.D. | 螺纹 | A | ØP | ØP1 | ØP2 | B | L | L1 | L2 | E | N | ØK | H1 | H2 | O1 | O2 |
| PC 04-M5 | 4mm | M5 x 0.8 | 15 | 20 | 30 | 11 | 12 | 13 | 14 | 15 | 16 | 17 | 18 | 19 | 20 | 21 | 22 |
艾莱特斯PC 04-M5快插式气动接头广泛应用于机械手臂气路连接、自动化生产线气动控制、包装机械气动执行器、数控机床夹具气路、检测设备气动采样等领域。
常见问题及解答
M5螺纹端是否需要生料带?
不需要。产品自带O型圈密封,直接旋紧即可。
弯管漏气吗?
我司的产品,包括PC 04-M5, 4mm x M5 外螺纹直通快插式气动接头,在使用硬管和软管弯管时,均不漏气。
PC 04-M5 快插式气动接头是否可以反复拆卸使用?
可以。快插端设计支持多次插拔,O型圈耐用性强。
